
站內搜索

MVG-25SU
特長:
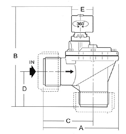
- 本體全部鋁合金(不鏽鋼)射出一體成型,內部構造阻力小,進出口成90度直角便於安裝,保養簡易。
- 特別選用品質優良之膜片,彈性特佳、耐壓強、不易老化壽命最長。
- 利用絕佳之膜片快速開啟,瞬間脈衝震波,高壓噴射,流量大,逆洗效果最好。
- 使用密閉型防水線圈,動作準確,品質優良,電壓有AC 110V 220V及DC 24V(備有出線型及DIN插頭式供選擇)。
|
![]() |


特長:
|
![]() |